Search

SG-50v Movax Unit

SG-50v Movax Unit

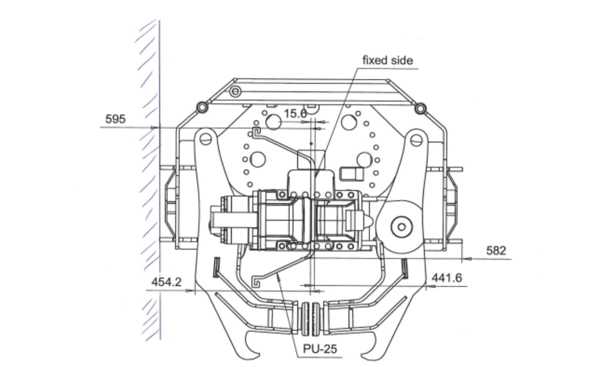
SG-50v Movax Unit specification drawing

General information 

Overall length (without attachment)4470mm
Overall length (with attachment)8920mm
Overall height (with attachment)3180mm
Cab height3140mm
Upper structure overall width2990mm
Swing (rear end) radius1720mm
Clearance height under upper structure1020mm
Minimum ground clearance440mm
Wheel base (centre to centre of wheels)3660mm
Crawler overall length4470mm
Track gauge2390mm
Undercarriage overall width (with 600mm shoes)2990mm
Crawler tracks height920mm
SG-50v Movax Unit specification drawing

Performance data

Boom length5700mm
Bucket radius1450mm
Bucket wrist action177°
Maximum reach at GRP9180mm
Maximum reach9370mm
Maximum digging depth 6120mm
Maximum digging height10520mm
Maximum dumping height7630mm
SG-50v Movax Unit specification drawing

Suitable piles

Sheet pilesH-beamsTubes
Width 400-1200mmSize H180-H500Pipe clamps (which are fitted to sheet pile jaws): Ø90 - Ø250 mm
"Depth" 265mm177°Tube reducer (which are fitted to tube jaws): Ø193.7 - 610.0 mm
Weight maximum 1400kgWeight maximum 1400kgWeight maximum 1400kg
Length up to 18mLength up to 18mLength up to 18m
SG-50v Movax Unit specification drawing

Technical data

Piler typeSG-50SG-50VSG-60SG-60V
Weight without adapter                   2260-2680kg
Height                       2468mm
Depth                   1060-1383mm
Width                       1192mm
Excavator class     23-30ton      28-38ton
Maximum return pressure                         5bar
Pressure settings                     350bar
Frequency              2500-3000 1/min
Centrifugal force        500kN        600kN
Ground vibrationNormalLowNormalLow
Resonance free start and stopNoYesNoYes
Driving method                        Vibra
swing / tilt angle                     360 / 30°

Stay up to date with project updates? Receive our project updates in your mailbox!